全国服务热线:
+86-372-2595077/2595078/2595088
用途:
本系列产品是一种机电转换装置,在直流12V/24V/48V/80V的电液比例控制系统中与比例控制放大器配套使用,可平行替代进口用于叉车多路阀。电磁铁输出力通过负载弹簧转换成位移,实现电流-力-位移线性转换,采用中心螺纹固定电磁铁,更换电磁铁线圈时无需拆卸液压装置,可任意方向安装,电磁线圈绝缘等级为H级,可承受210bar压力,防护等级IP66,该型电磁铁适用于叉车环境。
主要技术参数
型号 | EP45-N | |||
适用环境温度 (℃) | -30~+50 | |||
有效行程 (mm) | 2.8 | |||
全行程 (mm) | 7 | |||
建议使用行程范围 (mm) | 0.3~2.7 | |||
额定吸力 (N) | 60 | |||
力滞环 (%) | ≤5 | |||
电流滞环 (%) | ≤5 | |||
重复精度 (%) | ≤1 | |||
额定电压 (V) | 12 | 24 | 48 | 80 |
*大电流 (A) | 2 | 1 | 0.5 | 0.37 |
额定电阻20℃ (Ω) | 4.77 | 18 | 42 | 77.3 |
稳态行程-力特性曲线
48V 示例

位移(mm)
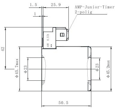
外形及安装尺寸

产品外形

线圈外形

磁芯管外形
使用注意事项
● 电磁铁插头标准:282190-1。
● 电气控制系统与电磁铁连接部分之间应设有过流保护装置,以免非正常情况下,烧毁电磁铁及您的电控元件。液压系统工。
● 作介质为矿物油,磷酸脂油。
● 电磁铁为连续工作制。
样本说明
● 对超出本样本要求的应用场合,请询问本公司。
● 特性曲线仅供参考。
● 主要特性参数均为实验室条件下获得。本公司保留修改参数的权力。
中文(简体)
English
Русский
Espa?ol